DIN 6912 مسامير ذات غطاء رأس رفيع ذات مقبس سداسي
المنتج: DIN 6912 براغي ذات غطاء رأس رفيع بمقبس سداسي مع تجويف تجريبي
فئة العقار:4.6،4.8،5.6،5.8،8.8،10.9،12.9،
A2-70، A4-70، A4-80
اللمسة النهائية: طلاء الزنك (الزنك الأصفر، الزنك الأزرق، لون الشطف)، الأسود، الفوسفات والزيت، فوسفات الزنك، المجلفن بالغمس الساخن (HDG)، داكروميت، هندسي
المواد: الصلب
بلد التصدير: الولايات المتحدة الأمريكية واليابان وأستراليا وأوروبا وما إلى ذلك
دعم تخصيص العملاء
DIN 6912 هو معيار لولبي تم صياغته من قبل المنظمة الوطنية الألمانية للتوحيد القياسي (DIN)، ويشير على وجه التحديد إلى البراغي ذات المقبس السداسي الرقيق. تحتوي براغي Allen ذات الرأس الرفيع DIN 6912 على فتحة Allen يمكن تشديدها باستخدام مفتاح Allen أو مفتاح الربط. القطر الخارجي لرأسه وسمك رأسه صغيران نسبيًا، لذلك يطلق عليه "الرأس الرفيع". بالإضافة إلى ذلك، فإن برغي الرأس ذو المقبس السداسي الرفيع DIN 6912 يحتوي أيضًا على فتحة توجيه في مسدس الرأس.
الصور
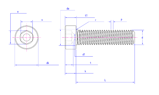
رسم المنتج
مواصفات المنتج
مقاس |
م4 |
م5 |
م6 |
م8 |
م10 |
م12 |
م14 |
م16 |
م18 |
م20 |
م22 |
م24 |
م27 |
م30 |
م33 |
م36 |
|
ص |
0.7 |
0.8 |
1 |
1.25 |
1.5 |
1.75 |
2 |
2 |
2.5 |
2.5 |
2.5 |
3 |
3 |
3.5 |
3.5 |
4 |
|
dk |
الأعلى |
7 |
8.5 |
10 |
13 |
16 |
18 |
21 |
24 |
27 |
30 |
33 |
36 |
40 |
45 |
50 |
54 |
دقيقة |
6.78 |
8.28 |
9.78 |
12.73 |
15.73 |
17.73 |
20.67 |
23.67 |
26.67 |
29.67 |
32.61 |
35.61 |
39.61 |
44.61 |
49.61 |
53.54 |
|
دا ماكس |
4.7 |
5.7 |
6.8 |
9.2 |
11.2 |
13.7 |
15.7 |
17.7 |
20.2 |
22.4 |
24.4 |
26.4 |
30.4 |
33.4 |
36.4 |
39.4 |
|
د1 |
دقيقة |
2 |
2.5 |
3 |
4.00 |
5.00 |
6.00 |
7.00 |
8.00 |
8 |
10 |
10 |
12 |
12 |
15 |
16.5 |
18 |
الأعلى |
2.06 |
2.56 |
3.06 |
4.075 |
5.075 |
6.075 |
7.09 |
8.09 |
8.09 |
10.09 |
10.09 |
12.11 |
12.11 |
15.11 |
16.61 |
18.11 |
|
دقيقة |
3.44 |
4.58 |
5.72 |
6.86 |
9.15 |
11.43 |
13.72 |
16.0 |
16 |
19.44 |
19.44 |
21.73 |
21.73 |
25.15 |
27.43 |
30.85 |
|
ك |
الأعلى |
2.8 |
3.5 |
4 |
5.00 |
6.5 |
7.5 |
8.5 |
10 |
11 |
12 |
13 |
14 |
16 |
17.5 |
19.5 |
21.5 |
دقيقة |
2.66 |
3.32 |
3.82 |
4.82 |
6.28 |
7.28 |
8.28 |
9.78 |
10.73 |
11.73 |
12.73 |
13.73 |
15.73 |
17.23 |
19.17 |
21.17 |
|
ص دقيقة |
0.2 |
0.2 |
0.25 |
0.4 |
0.4 |
0.6 |
0.60 |
0.6 |
0.6 |
0.8 |
0.8 |
0.8 |
1 |
1 |
1 |
1 |
|
س |
الأعلى |
3.02 |
4.02 |
5.02 |
6.02 |
8.025 |
10.025 |
12.032 |
14.032 |
14.032 |
17.05 |
17.05 |
19.065 |
19.065 |
22.065 |
24.0625 |
27.065 |
دقيقة |
3.1 |
4.12 |
5.14 |
6.14 |
8.175 |
10.175 |
12.212 |
14.212 |
14.212 |
17.23 |
17.23 |
19.275 |
19.275 |
22.275 |
24.275 |
27.275 |
|
ر |
دقيقة |
1.48 |
1.88 |
2.38 |
2.88 |
3.35 |
3.85 |
4.35 |
5.53 |
5.85 |
6.32 |
6.82 |
6.82 |
8.32 |
8.82 |
9.82 |
11.28 |
الأعلى |
1.72 |
2.12 |
2.62 |
3.12 |
3.65 |
4.15 |
4.65 |
5.65 |
6.15 |
6.68 |
7.18 |
7.18 |
8.68 |
9.18 |
10.18 |
11.72 |
|
t1 |
دقيقة |
3.3 |
4 |
5.00 |
6.5 |
7.5 |
9.00 |
10 |
11.50 |
12.5 |
14 |
15 |
16 |
17 |
19 |
20 |
24 |
الأعلى |
3.6 |
4.3 |
5.3 |
6.86 |
7.86 |
9.36 |
10.36 |
11.93 |
12.93 |
14.43 |
15.43 |
16.43 |
17.43 |
19.52 |
20.52 |
24.52 |
|
دعم تخصيص العملاء |
|||||||||||||||||
بعض المقدمة عن شركتنا
طلب
تُستخدم منتجاتنا على نطاق واسع في الأعمال الميكانيكية والكهربائية والسيارات وتشييد المباني والسكك الحديدية والجسور والبواخر والحماية من الحرائق ونظام الاتصالات، إلخ.
ورشة عمل
شهادة
من خلال الإدارة العلمية، حصلت شركة Jinan Star Fastener Co., Ltd. على نسخة 2015 من شهادة نظام إدارة الجودة ISO9001. وفي عام 2017، حصل المختبر على شهادة CNAS الوطنية. وفي عام 2018، حصلت الشركة على شهادة CE الأوروبية.
معدات اختبار
تمتلك شركتنا مختبرًا متخصصًا مزودًا باختبارات الصلابة الرقمية، والمجاهر، وآلات الاختبار العالمية، ومقاييس القوة المحورية، وأجهزة كشف تقصف الهيدروجين، وكاشفات عيوب الجسيمات المغناطيسية، ومحللات المعادن، ومحللات الكربون والكبريت، وآلات اختبار رش الملح، وما إلى ذلك. معدات الاختبار التجريبية هي يستخدم لإجراء اختبارات شاملة للتركيب الكيميائي للمواد الخام وصلابة المنتج والخواص الميكانيكية وسمك الطلاء ومقاومة التآكل لضمان تلبية جميع المنتجات للمتطلبات القياسية وإرضاء العملاء.
معدات الإنتاج
تمتلك شركتنا أكثر من 300 من معدات الإنتاج. تشمل عملية إنتاج المنتج ما يلي: التلدين، السفع بالخردق، الرأس البارد، لف الخيط، المعالجة الحرارية، الجلفنة، اختبار المنتج النهائي، التعبئة والتغليف، وما إلى ذلك كلها مكتملة في الشركة.
التعبئة
خدمة
1. توفير خدمات التخصيص الشخصية وفقًا للاحتياجات المحددة للعملاء، مثل القطر، والطول، والمواد، ومواصفات الخيط للبراغي السداسية ذات الرأس الرفيع DIN 6912 مع فتحات تجريبية، إلخ.
2. يمكن توفير الوثائق الفنية التفصيلية للبراغي السداسية ذات الرأس الرقيقة DIN 6912 مع فتحات التوجيه، بما في ذلك المواصفات، ومعلمات الأداء، ودليل التثبيت، وما إلى ذلك للبراغي السداسية ذات الرأس الرفيعة DIN 6912 مع فتحات التوجيه، بحيث يمكن للعملاء فهم وفهم أفضل استخدم براغي مقبس سداسية الرأس رفيعة DIN 6912. براغي ذات رأس سداسي مع فتحات تجريبية.
3. جميع المنتجات تتوافق مع معايير DIN 6912 وتخضع لفحص صارم للجودة لضمان الجودة الموثوقة للبراغي السداسية ذات الرأس الرفيع DIN 6912 مع فتحات التوجيه.
4. ضمان وقت التسليم لضمان عدم تأثر تقدم الإنتاج الخاص بالعميل
التعليمات
1. ما هي نوعية مسامير المقبس السداسية ذات الرأس الرفيع DIN 6912 المزودة بفتحات تجريبية؟
يتم إنتاج منتجاتنا وفقًا لمعايير DIN 6912 وتخضع لفحوصات صارمة للجودة لضمان الجودة الموثوقة للبراغي السداسية ذات الرأس الرفيع ذات الفتحات التجريبية DIN 6912. ضمان الجودة الذي نقدمه يشهد على جودة وأداء براغي المقبس السداسية ذات الرأس الرفيع ذات الفتحات التجريبية DIN 6912.
2. متى سيتم تسليم التسليم؟
نقوم بترتيب إنتاج الطلب والتسليم بما يتفق بدقة مع العقد. إذا كانت هناك ظروف خاصة تتسبب في تأخير التسليم، فسنتواصل مع العملاء مقدمًا ونتفاوض بشأن الحلول.
3. هل يمكنك أن تعطيني أفضل الأسعار؟
وبطبيعة الحال، سوف نقدم لك أفضل الأسعار. يتم تحديد سعر المنتج بناءً على عوامل مثل الكمية والمواصفات والمواد وما إلى ذلك. نرحب باستشارتك وسنقدم لك عرض أسعار معقول.













