AS 1111.1 مسامير الرأس السداسية
      
                المنتج: AS 1111.1 مسامير ذات رأس سداسي
فئة العقار:4.6،4.8،5.6،5.8،8.8،10.9،12.9،
A2-70، A4-70، A4-80
النهاية:طلاء الزنك (الزنك الأصفر، الزنك الأزرق، لون الشطف)، الأسود، الفوسفات والزيت، فوسفات الزنك، المجلفن بالغمس الساخن (HDG)، داكروميت، هندسي
المواد: الصلب والفولاذ المقاوم للصدأ
بلد التصدير: الولايات المتحدة الأمريكية واليابان وأستراليا وأوروبا وما إلى ذلك
دعم تخصيص العملاء
AS 1111.1 هو معيار للبراغي ذات الرأس السداسي المتري، الفئة C. البراغي ذات الرأس السداسي هي أداة تثبيت شائعة تستخدم على نطاق واسع في مختلف الآلات والمعدات. تم تصميم رأسه بشكل سداسي، مما يجعل من السهل ربطه أو فكه باستخدام أدوات مثل مفتاح الربط أو مفك البراغي. تحتوي البراغي وفقًا لمعيار AS 1111.1 على لوائح مفصلة بشأن المعلمات مثل الخيط، ودرجة الميل، ومنطقة القوة المستعرضة، والحد الأدنى من عزم الدوران لضمان أداء وجودة البراغي.
الصور
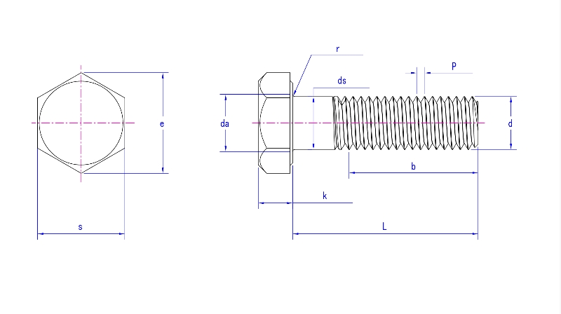
رسم المنتج
مواصفات المنتج
| مقاس | م5 | م6 | م8 | م10 | م12 | م14 | م16 | م18 | م20 | م22 | م24 | م27 | م30 | م33 | م36 | م39 | م42 | م45 | م48 | م52 | م56 | م60 | م64 | |
| ص | 0.8 | 1.0 | 1.25 | 1.5 | 1.75 | 2.0 | 2.0 | 2.5 | 2.5 | 2.5 | 3.0 | 3.5 | 3.5 | 4.0 | 4.0 | 4.5 | 4.5 | 5.0 | 5.0 | 5.5 | 5.5 | 6.0 | ||
| دا ماكس | 6.0 | 7.2 | 10.2 | 12.2 | 14.7 | 16.7 | 18.7 | 21.2 | 24.4 | 26.4 | 28.4 | 32.4 | 35.4 | 38.4 | 42.4 | 45.4 | 48.6 | 52.6 | 56.6 | 62.6 | 67 | 71.0 | 75 | |
| س | الأعلى | 5.48 | 6.48 | 8.58 | 10.58 | 12.7 | 14.7 | 16.7 | 18.7 | 20.84 | 22.84 | 24.84 | 27.84 | 30.84 | 34.0 | 37.0 | 40.0 | 43.0 | 46.0 | 49.0 | 53.2 | 57.2 | 61.2 | 65.2 | 
| دقيقة | 4.52 | 5.52 | 7.42 | 9.42 | 11.3 | 13.3 | 15.3 | 17.3 | 19.16 | 21.16 | 23.16 | 26.16 | 29.16 | 32.0 | 35.0 | 38.0 | 41.0 | 44.0 | 47.0 | 50.8 | 54.8 | 58.8 | 62.8 | |
| دقيقة | 8.63 | 10.89 | 14.2 | 17.59 | 19.85 | 22.78 | 26.17 | 29.56 | 32.95 | 37.29 | 39.55 | 45.2 | 50.85 | 55.37 | 60.79 | 66.44 | 71.3 | 76.95 | 82.6 | 88.25 | 93.56 | 99.21 | 104.86 | |
| ك | الأعلى | 3.875 | 4.375 | 5.675 | 6.85 | 7.95 | 9.25 | 10.75 | 12.4 | 13.4 | 14.9 | 15.9 | 17.9 | 19.75 | 22.05 | 23.55 | 26.05 | 27.05 | 29.05 | 31.05 | 34.25 | 36.25 | 39.25 | 41.25 | 
| دقيقة | 3.125 | 3.625 | 4.925 | 5.95 | 7.05 | 8.35 | 9.25 | 10.6 | 11.6 | 13.1 | 14.1 | 16.1 | 17.65 | 19.95 | 21.45 | 23.95 | 24.95 | 26.95 | 28.95 | 31.75 | 33.75 | 36.75 | 38.75 | |
| ص دقيقة | 0.2 | 0.25 | 0.4 | 0.4 | 0.6 | 0.6 | 0.6 | 0.6 | 0.8 | 0.8 | 0.8 | 1.0 | 1.0 | 1.0 | 1.0 | 1.0 | 1.2 | 1.2 | 1.6 | 1.6 | 2.0 | 2.0 | 2.0 | |
| س | الأعلى | 8.0 | 10.0 | 13.0 | 16.0 | 18.0 | 21.0 | 24.0 | 27.0 | 30.0 | 34.0 | 36.0 | 41.0 | 46.0 | 50.0 | 55.0 | 60.0 | 65.0 | 70.0 | 75.0 | 80.0 | 85.0 | 90.0 | 95.0 | 
| دقيقة | 7.64 | 9.64 | 12.57 | 15.57 | 17.57 | 20.16 | 23.16 | 26.16 | 29.16 | 33.0 | 35.0 | 40.0 | 45.0 | 49.0 | 53.8 | 58.8 | 63.1 | 68.1 | 73.1 | 78.1 | 82.8 | 87.8 | 92.8 | |
| دعم تخصيص العملاء | ||||||||||||||||||||||||
بعض المقدمة عن شركتنا
طلب
تُستخدم منتجاتنا على نطاق واسع في الأعمال الميكانيكية والكهربائية والسيارات وتشييد المباني والسكك الحديدية والجسور والبواخر والحماية من الحرائق ونظام الاتصالات، وما إلى ذلك.
شهادة
من خلال الإدارة العلمية، حصلت شركة Jinan Star Fastener Co., Ltd. على نسخة 2015 من شهادة نظام إدارة الجودة ISO9001. وفي عام 2017، حصل المختبر على شهادة CNAS الوطنية. وفي عام 2018، حصلت الشركة على شهادة CE الأوروبية.
ورشة عمل
معدات اختبار
تمتلك شركتنا مختبرًا متخصصًا مزودًا باختبارات الصلابة الرقمية، والمجاهر، وآلات الاختبار العالمية، ومقاييس القوة المحورية، وأجهزة كشف تقصف الهيدروجين، وكاشفات عيوب الجسيمات المغناطيسية، ومحللات المعادن، ومحللات الكربون والكبريت، وآلات اختبار رش الملح، وما إلى ذلك. معدات الاختبار التجريبية هي يستخدم لإجراء اختبارات شاملة للتركيب الكيميائي للمواد الخام وصلابة المنتج والخواص الميكانيكية وسمك الطلاء ومقاومة التآكل لضمان تلبية جميع المنتجات للمتطلبات القياسية وإرضاء العملاء.
معدات الإنتاج
تمتلك شركتنا أكثر من 300 من معدات الإنتاج. تشمل عملية إنتاج المنتج ما يلي: التلدين، السفع بالخردق، الرأس البارد، لف الخيط، المعالجة الحرارية، الجلفنة، اختبار المنتج النهائي، التعبئة والتغليف، وما إلى ذلك كلها مكتملة في الشركة.
التعبئة
التعليمات
1. سؤال: ما هي معايير الجودة لمسامير الرأس السداسية AS 1111.1؟
الإجابة: AS 1111.1 هو معيار أسترالي ونيوزيلندي يحدد متطلبات الجودة ومعايير الأداء للبراغي ذات الرأس السداسي المتري من الفئة C. تتبع مساميرنا هذا المعيار بدقة لضمان أن كل مسمار يلبي متطلبات الجودة المحددة.
2. س: هل حصلت منتجاتك على شهادة الجودة؟
الجواب: نعم، لقد حصلت منتجاتنا على شهادات الجودة ذات الصلة. نحن نتحكم بشكل صارم في عملية الإنتاج لضمان جودة المنتج المستقرة والموثوقة.
3.س: ما هي مادة البراغي؟
الإجابة: عادة ما تكون مادة مسامير الرأس السداسية AS 1111.1 من الفولاذ أو الفولاذ المقاوم للصدأ. تعتمد المواد المحددة على احتياجات العميل وسيناريوهات التطبيق. سوف نقدم اختيارًا مناسبًا للمواد وفقًا للاحتياجات الفعلية للعملاء.
4.س: ما هي مواصفات البراغي؟
الإجابة: تغطي مواصفات الترباس بموجب معيار AS 1111.1 مجموعة متنوعة من الأحجام من M5 إلى M64. يمكننا توفير مسامير بمواصفات مختلفة لتلبية الاحتياجات المتنوعة لعملائنا.
5. س: كم من الوقت هو وقت التسليم الخاص بك؟
ج: تعتمد المهلة الزمنية على كمية وتعقيد الطلب. سنقوم بتطوير خطط تسليم مفصلة بناءً على احتياجات العملاء المحددة وإكمال الإنتاج والشحن في أقرب وقت ممكن.
6. س: هل تقدمون خدمة ما بعد البيع؟
الجواب: نعم، نحن نقدم خدمة ما بعد البيع كاملة. إذا واجه العملاء أي مشاكل أو احتاجوا إلى دعم فني أثناء الاستخدام، فسنقوم بالرد على الفور وتقديم الحلول.















 
                   
                   
                  