الترباس النقل المجلفن
      
                1.GB-T 14 كوب رأس مربع البراغي عربة الرقبة
2. الشركة المصنعة الترباس ، المصنع الخاص: مع ميزة السعر ، يلغي اختلاف السعر في الوسطاء.
3. أدى إلى أعلى الفولاذ السميك عالي الجودة في هذا الصناعة ، والاستقرار العالي والمتانة طويلة الأمد.
4. دعم تخصيص العملاء.
5. المبيعات المهنية وخدمة ما بعد البيع ، مرحبًا بك في الاستفسار في أي وقت.
6. تسليم في الوقت المحدد.
صراخ النقل مجلفن: محلول تثبيت قوي مقاوم للصدأ
أالترباس النقل المجلفنهو قفل متين ومقاوم للتآكل مثالي للاتصالات من الخشب إلى الخشب أو من الخشب إلى المعدن. يتميز برأس سلس ومقبب وعنق مربع ،الترباس النقل المجلفنيوفر نوبة آمنة يقاوم الدوران بمجرد تثبيته. تعزز عملية الجلفنة أداء الترباس من خلال طلاءه بطبقة واقية من الزنك ، مما يجعلها مثالية لكل من التطبيقات الداخلية والخارجية المعرضة للرطوبة والظروف الجوية القاسية.
سواء كنت تقوم ببناء سطح أو تركيب سياج أو بناء أطر عمل خشبية ،الترباس النقل المجلفنيوفر القوة والموثوقية اللازمة للنزاهة الهيكلية طويلة الأمد.
ما هو الترباس النقل المجلفن؟
أالترباس النقل المجلفنهو مسمار رأس مستدير مع رقبة مربعة مباشرة تحت الرأس. هذا الرقبة المربعة يسيطر على المادة ، مما يمنع الترباس من الغزل بينما يتم تشديد الجوز. الترباس هو المجلفن الساخن أو المطلي بالزنك ، والذي يحميه من التآكل.
وتشمل الخصائص الرئيسية لسبخ النقل المجلفن:
- رأس مستدير: يمنع العبث ويعطي مظهرًا سلسًا. 
- الرقبة المربعة: أقفال في مكانها أثناء التشديد. 
- الطلاء المجلفن: يوفر مقاومة صدأ ممتازة ويمتد عمر الترباس. 
- رمح الخيوط: يسمح بتثبيت آمن مع الجوز والغسالة. 
الالترباس النقل المجلفنيستخدم عادة في الهياكل والبيئات الخارجية حيث تكون مقاومة الصدأ ضرورية.
مزايا الترباس النقل مجلفن
- مقاومة التآكل 
 الانتهاء من جلفنالترباس النقل المجلفنيوفر حماية فائقة ضد الرطوبة والمواد الكيميائية والأضرار البيئية. هذا يجعلها مثالية للاستخدام في البناء البحري والزراعي والخارجي.
- نوبة آمنة ومكافحة الدوران 
 بفضل عنقها المربع ،الترباس النقل المجلفنيسيطر على الأسطح الخشبية أو المعدنية لمنع الغزل أثناء التشديد. هذا يضمن عملية تثبيت آمنة وفعالة.
- المظهر الجمالي 
 رأس ناعم على شكل قبة منالترباس النقل المجلفنيضيف مظهرًا نظيفًا ومهنيًا ، خاصة في المنشآت المرئية مثل الطوابق والأسوار والأثاث.
- المتانة تحت الحمل 
 مصمم للتعامل مع قوى التوتر العالي والقص ،الترباس النقل المجلفنيوفر أداء قوي وطويل الأجل في التطبيقات الشاقة.
- الاستخدام متعدد الاستخدامات 
 من البناء السكني إلى البنية التحتية التجارية ،الترباس النقل المجلفنمناسب لمجموعة واسعة من احتياجات التثبيت ، خاصةً عندما يكون التعرض للعناصر مصدر قلق.
التطبيقات الشائعة لسبخ النقل المجلفن
- هياكل الخشب في الهواء الطلق: مثالي لبناء الطوابق ، العريشة ، أسرة الحديقة ، ومرحات المراقبة. 
- المبارزة والبوابات: تستخدم لربط الألواح الخشبية أو المعدنية بشكل آمن للوظائف. 
- مجموعة الأثاث: شائع الاستخدام في الأثاث الخارجي للجمع بين الجاذبية البصرية والمتانة. 
- الملاعب والحدائق: الرأس السلس لـالترباس النقل المجلفنيقلل من خطر الإصابة ، مما يجعلها مثالية للمنشآت العامة. 
- المشاريع البحرية والزراعية: مقاومة الترباس للصدأ تجعلها مناسبة للبيئات الساحلية أو الغنية بالرطوبة. 
نصائح التثبيت لنقل البراغي المجلفن
- حفر قبل الفتحة 
 قم بإنشاء ثقب مسبقًا يطابق قطر الترباس لضمان ملاءمة دافئة.
- أدخل الترباس 
 ضعالترباس النقل المجلفنمن خلال الحفرة. تأكد من أن الرقبة المربعة تتناسب مع المادة لمنع الدوران.
- آمنة مع غسالة وجوز 
 على الجانب الآخر ، ضع غسالة وشد الجوز باستخدام مفتاح الربط أو المقبس. يجب أن يجلس الرأس مع السطح.
- تحقق من الضيق 
 ضمانالترباس النقل المجلفنيتم تأمينه بإحكام ، وإعادة التحقق بشكل دوري إذا تم استخدامه في منطقة عالية الاهتزاز.
اختيار الترباس النقل الأيمن مجلفن
عند اختيار أالترباس النقل المجلفن، ضع في اعتبارك ما يلي:
- الحجم والطول: اختر استنادًا إلى سمك المواد التي يتم ربطها. 
- نوع الموضوع: المواضيع الخشنة القياسية شائعة ، ولكن تأكيد التوافق مع الجوز أو التطبيق. 
- درجة: حدد الصف المناسب اعتمادًا على متطلبات الحمل والقوة. 
- ينهي: تأكد من نوع Gallvanization (على سبيل المثال ، Hot-DIP مقابل الكهرومغال) يناسب تعرضك للبيئة. 
خاتمة
الالترباس النقل المجلفنهو مثبت أساسي للمشاريع التي تتطلب القوة والاستقرار ومقاومة الصدأ. إن مزيجه من الرأس السلس ، والرقبة المربعة ، وطلاء الزنك الواقي يجعله الخيار المثالي للبناء في الهواء الطلق ، والإعدادات البحرية ، والبيئات المعرضة للرطوبة. سواء كنت تقوم ببناء الأثاث أو تثبيت المبارزة أو بناء سطح السفينة ،الترباس النقل المجلفنيضمن عقد طويل الأمد وآمن.
صور
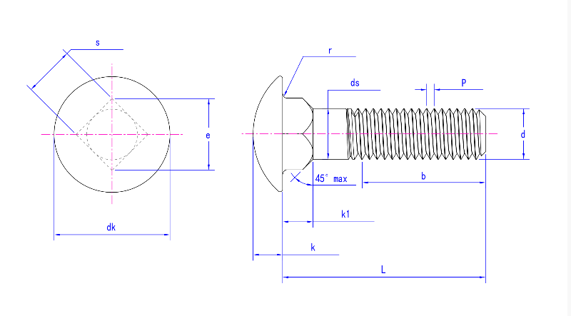
رسم المنتج
مواصفات المنتج
| مقاس | M5 | M6 | M8 | M10 | M12 | M16 | M20 | |
| ص | 0.8 | 1 | 1.25 | 1.5 | 1.75 | 2 | 2.5 | |
| هـ | 5.9 | 7.2 | 9.6 | 12.2 | 14.7 | 19.9 | 24.9 | |
| DK | الأعلى | 13 | 16 | 20 | 24 | 30 | 38 | 46 | 
| دقيقة | 11.9 | 14.9 | 18.7 | 22.7 | 28.7 | 36.4 | 44.4 | |
| DS | الأعلى | 5.48 | 6.48 | 8.58 | 10.58 | 12.7 | 16.7 | 20.84 | 
| دقيقة | 4.48 | 5.35 | 7.19 | 9.03 | 10.86 | 14.70 | 18.38 | |
| ك | الأعلى | 3.1 | 3.6 | 4.8 | 5.8 | 6.8 | 8.9 | 10.9 | 
| دقيقة | 2.5 | 3 | 4 | 5 | 6 | 8 | 10 | |
| K1 | دقيقة | 2.9 | 3.4 | 4.4 | 5.4 | 7.2 | 11.1 | 14.1 | 
| الأعلى | 4.1 | 4.6 | 5.6 | 6.6 | 8.8 | 12.9 | 15.9 | |
| ق | الأعلى | 5.48 | 6.48 | 8.58 | 10.58 | 12.7 | 16.7 | 20.84 | 
| دقيقة | 4.52 | 5.52 | 7.42 | 9.42 | 11.3 | 15.3 | 19.16 | |
| ص ماكس | 0.4 | 0.5 | 0.8 | 0.8 | 1.2 | 1.2 | 1.6 | |
| دعم تخصيص العملاء | ||||||||


 
                                            
                                                                                        
                                        




 
                   
                   
                  