مسامير رأس كوب رقبة مربعة
1.GB-T 794 براغي برأس كوب مقوى ورقبة مربعة
2. مصدر الترباس الصانع ، المصنع الخاص: مع ميزة السعر ، والقضاء على فرق سعر الوسطاء.
3. اعتماد أعلى جودة من الفولاذ السميك في الصناعة ، والاستقرار العالي والمتانة طويلة الأمد.
4. دعم تخصيص العملاء.
5. المبيعات المهنية وخدمة ما بعد البيع ، مرحبا بكم في الاستفسار في أي وقت.
6. التسليم في الوقت المحدد.
مسامير برأس كوب برقبة مربعة: حل تثبيت متين وموثوق
عندما يتعلق الأمر بتثبيت ثقيل،مسامير رأس كوب رقبة مربعة هي خيار أساسي للعديد من الصناعات.تجمع هذه البراغي متعددة الاستخدامات بين القوة والثبات وسهولة التركيب، مما يجعلها حلاً مثاليًا لتطبيقات البناء والسيارات والآلات.يضمن تصميم الرقبة المربعة الفريد قبضة آمنة، مما يمنع الدوران أثناء التثبيت، بينما توفر رأس الكوب لمسة نهائية ناعمة وجذابة.بفضل متانتها وموثوقيتها،مسامير رأس كوب رقبة مربعة تم تصميمها لتقديم أداء استثنائي في البيئات الصعبة.
لماذا تختار رأس كوب بولتس برقبة مربعة؟
ال مسامير رأس كوب رقبة مربعة تم تصميمه خصيصًا لمعالجة تحديات تثبيت المكونات في مكانها دون انزلاق.تضمن ميزة الرقبة المربعة لنوع البرغي هذا أن البرغي يثبت بشكل آمن في مكانه، مما يمنع البرغي من الدوران أثناء الشد.المسامير رأس كوب رقبة مربعة كما أنها تبرز بمظهرها الجمالي، مع رأسها الناعم والمستدير الذي يوفر لمسة نهائية نظيفة تكمل التصميم العام للهيكل المجمع.
سواء كنت تعمل في الأعمال المعدنية، الأعمال الخشبية، أو التصنيع في خطوط التجميع، فإنمسامير رأس كوب رقبة مربعة يوفر توازنًا مثاليًا بين الأداء والمظهر.تنوعه وبنائه القوي يجعله خيارًا مفضلاً للمحترفين في مختلف الصناعات.
الميزات الرئيسية لرأس الكوب المربع للبراغي
تصميم رقبة مربعة للتثبيت الآمن
الياقة المربعة المميزة للمسامير رأس كوب رقبة مربعة يمنع الحركة الدوارة أثناء التثبيت، مما يضمن بقاء البرغي ثابتًا في مكانه ومحكمًا بإحكام.متين وموثوق
مصنوعة من مواد فولاذية أو سبائك عالية الجودة،مسامير رأس كوب رقبة مربعة يوفر قوة استثنائية ومقاومة للتآكل، مما يجعلها مناسبة للاستخدامات الداخلية والخارجية.رأس كوب للحصول على لمسة نهائية نظيفة وسلسة
توفر رأس الكوب مظهرًا ناعمًا ومستديرًا يعزز من الجماليات الشاملة للمنتج المجمع مع منع ظهور أي حواف حادة.سهولة التركيب والصيانة
مصمم للتثبيت السريع والسهل،مسامير رأس كوب رقبة مربعة يسهل عملية التثبيت، مما يوفر الوقت والجهد.بالإضافة إلى ذلك، فهي سهلة الصيانة والاستبدال عند الحاجة.مجموعة واسعة من التطبيقات
ال مسامير رأس كوب رقبة مربعة يستخدم في مجموعة متنوعة من الصناعات، بما في ذلك البناء والسيارات والآلات والأثاث وأكثر من ذلك.تنوعها يجعلها حل تثبيت مثالي للعديد من المشاريع.
استخدامات مثالية للبراغي برأس كوب ورقبة مربعة
البناء والآلات الثقيلة
ال مسامير رأس كوب رقبة مربعة مثالي لتأمين العناصر الهيكلية في مشاريع البناء، مما يضمن توصيلات قوية ومستقرة.تصنيع الأثاث
في تجميع الأثاث، توفر هذه البراغي اتصالاً قويًا مع المساهمة في مظهر نظيف ومصقول.تطبيقات السيارات والصناعية
ال مسامير رأس كوب رقبة مربعة يستخدم على نطاق واسع في صناعة السيارات والمعدات الصناعية حيث يلزم استخدام مثبتات قوية وآمنة ودائمة.النجارة والمعادن
سواء كان تجميع إطارات خشبية أو هياكل معدنية، توفر هذه البراغي تثبيتًا آمنًا وتمنع خطر الحركة والفشل.
مزايا استخدام براغي برأس كوب ورقبة مربعة
يمنع دوران البرغي
يضمن تصميم الرقبة المربعة أن البرغي لن يدور أثناء الشد، مما يعزز دقة التثبيت ويقلل من خطر فضفاضة المكونات بمرور الوقت.بناء قوي ودائم
المادة عالية القوة المستخدمة فيمسامير رأس كوب رقبة مربعة يضمن أداء طويل الأمد حتى في الظروف القاسية.تضمن خصائصها المقاومة للتآكل المتانة في البيئات الداخلية والخارجية.لمسة نهائية ناعمة وجمالية
تصميم رأس الكوب لا يعزز الوظيفة فحسب، بل يضيف أيضًا لمسة نهائية ناعمة ونظيفة لأي هيكل مجمع، مما يجعله مثاليًا للاستخدامات المرئية والمخفية.حل فعال من حيث التكلفة
ال مسامير رأس كوب رقبة مربعة يقدم حل تثبيت عالي الأداء بسعر تنافسي، مما يجعله خيارًا اقتصاديًا لمختلف الصناعات.
افكار اخيرة
ال مسامير رأس كوب رقبة مربعة يوفر حل تثبيت موثوق وفعال لمجموعة واسعة من التطبيقات.يضمن تصميم الرقبة المربعة بقاء البرغي ثابتًا في مكانه، بينما توفر رأس الكوب لمسة نهائية جذابة.سواء كنت في مجال البناء أو السيارات أو تصنيع الأثاث، فإنمسامير رأس كوب رقبة مربعة يوفر قوة فائقة ومتانة ووظيفة. إذا كنت تبحث عن مسمار يجمع بين الموثوقية والأداء والجمال، فهذا هو الخيار المثالي.
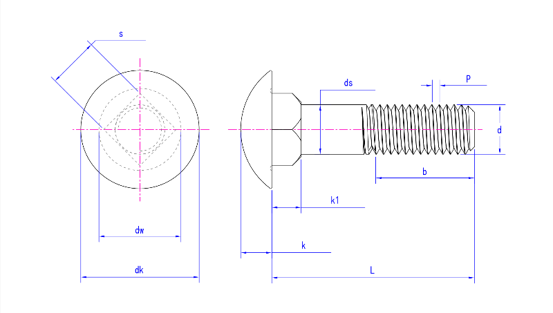
رسم المنتج





